スコーピオクレーン45’
2016年、日本上陸!
クレーン撮影の常識を変えた大型の伸縮型クレーン。
- ホーム
- >
- スクリューの特殊機材
- >
- クレーン
- >
- スコーピオクレーン45’
活用シーン
日本で最もポピュラーなスコーピオ スタビライザーヘッドとの相性が抜群です。
映画や野外コンサート撮影、そしてスポーツ中継まで、
ダイナミックにクレーン映像をお届けします。
スペック
| 全長 | 5.19m(Min.) |
|---|---|
| 全幅 | 1.56m |
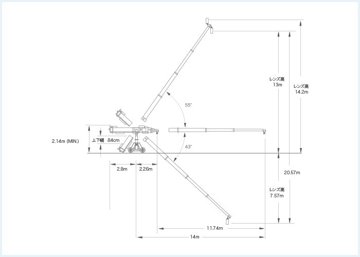
| アーム伸縮幅 | 11.74m |
| アーム伸縮スピード | 2.6m/秒 |
| コラム昇降幅 | 84cm |
| 耐荷重 | 70kg(下付け) 45kg(上付け) |
| レール幅 | 1m |
| 電源 | AC 220V/30A ,110V/30A |










